ID-51: VOX та під'єднання TNC (для APRS)
9 років 8 місяців тому #224
від UT7UX
ID-51: VOX та під'єднання TNC (для APRS) був створений UT7UX
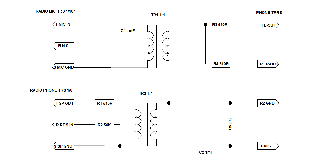
Якщо вам дуже кортіло погратись в D-Star й не було терпіння дочекатись TH-D74 від Kenwood, то ви вже знаєте, що Icom є найменш дружній до аматорів виробник аматорської апаратури. В Icom'і, будь якому, немає APRS, а новіші моделі навмисно зроблені так, щоб його неможливо було додати за допомогою зовнішнього TNC. Й не треба думати, що D-PRS є то саме, що APRS - ні в якому разі ні. На відміну від тридцятидоларових китайських портативок, ID-51 потребує спеціального адаптера за ті самі $30 тільки для того, щоб вбудований VOX ввімкнувся! Це унеможливлює з'єднання станції з телефоном або комп'ютером за допомогою звичайного кабелю, бо в простій та дешевій схемі софтмодем використовує VOX для передачі. Але
вихід знайдено
: простий саморобний кабель дозволяє з'єднати станцію з телефоном або комп'ютером й працювати в APRS, використовуючи телефон як термінал та емулятор TNC, а станцію виключно як радіоінтерфейс.
Будь-ласка, Увійти або Відкрити рахунок, щоб приєднатись до розмови.
9 років 8 місяців тому #225
від UT7UX
Відповідь від UT7UX у темі ID-51: VOX та під'єднання TNC (для APRS)
Ці користувачі подякували: ew7as
Будь-ласка, Увійти або Відкрити рахунок, щоб приєднатись до розмови.
- Ви тут:
-
Головна
-
Форум
-
Основний розділ
- Загальні теми та новини